Wednesday, August 31, 2016

VCO para chorus

Post   12    OSCILADOR CONTROLADO POR TENSÃO PARA CHORUS

    Este é um circuito sugerido pela Reticon (que fazia os SAD1024) nos anos 80. Simples e eficiente para ser usado em chorus. Para flanger este oscilador é um pouco limitado no controle de tempo.
    
   O funcionamento é parecido com o anterior só que aqui conforme o capacitor se carrega positivo ora de um lado ora do outro dependendo da oscilação no transistor, vai invertendo os niveis no Set e no Reset e assim alterando os pulsos nas saidas Q e Q’. 
   Q do primeiro flip flop faz parte do oscilador com o transistor e Q' injeta os pulsos no oscilador biestavel formado pelo outro flip flop.

    Montei varios chorus usando este oscilador com o MN3207 (Panasonic) e com o RD5106 (Reticon) mas nunca vi este circuito ser usado em nenhum pedal. Sai muito mais barato que usar usar o complemento MN3201.

   Na entrada onde será injetado a oscilação de baixa frequência que pode ser de onda senoidal ou triangular deve ter em serie um resistor (470K a 1M5) para reduzir a tensão da onda de oscilação.



Monday, August 29, 2016

VCO para flanger

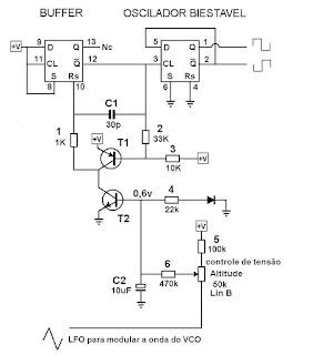
Post 11  OSCILADOR CONTROLADO POR TENSÃO PARA FLANGER - (VCO) - funcionamento

- O circuito integrado CD4013 são dois flip flops. Um dos flip flops é usado como buffer e o outro como chave toogle biestavel divisor de frequência por dois.

- No flip flop usado como buffer as entradas data (D), Clock (CL) e Set (S) deverão estar polarizadas positiva (no +V). Com o Set positivo, o Reset (Rs) será usado para comandar o estado das saídas Q e Q’.
                                                        Q        Q’
                             Rs negativo ------ 1        0 (negativo)
                             Rs positivo  ------ 1        1 (positivo)

- Na saída Q não há troca de estado (nela o buffer não inverte) então não será usada, será usada a saida Q’ onde o buffer inverte.

- No flip flop biestavel, a cada pulso na entrada Clock gerará um pulso de onda quadrada nas saidas Q e Q’ sendo que a cada pulso as saídas se invertem de estado gerando ondas quadradas com fase invertidas.
Estas ondas quadradas irão comandar a ação dos integrados BBDs.

- Da saída do coletor do transistor T1 um determinado valor de tensão entra no Reset do flip flop Buffer. De sua saída Q’ sai um pulso ora positivo ora negativo (de acordo com o Reset) que seguirá até entrada de Clock do segundo flip flop.

- Quando o transistor T1 não está conduzindo (está em corte como chave aberta) não haverá tensão e o Reset estará em condição baixa (negativo), assim a saída Q’ estará também negativa. Não haverá pulso para a entrada Clock do flip flop biestavel.

- Neste lado do capacitor C1 neste instante ( lado conectado em Q’ e CL ) também estará negativo.

- A base de T1 ficará também negativa e T1 (sendo transistor pnp) passará a conduzir no seu coletor (condição de chave fechada).

- O capacitor C1 será então carregado até um valor de tensão igual ao valor de tensão na base de T1.

- O transistor T2 e o diodo formam uma fonte de corrente constante (0,6 V na base de T2) que mantém uma estabilidade na polarização de T1 e permite a atuação do capacitor C2 como reservatório de carga que se carrega e descarrega lentamente conforme a atuação do oscilador lento (LFO) ali aplicado suavizando as subidas e descidas da oscilação de alta frequência.

- Estando T2 conectado no coletor de T1, assim T2 ajusta o valor de tensão de referência para a base de Q1 através do potenciômentro de altitude que varia o valor da tensão aplicada. Então C1 pode levar maior ou menor tempo pra atingir este valor.

- O capacitor C1 ao ser carregado faz a entrada Reset receber agora um valor positivo que permanece nesse estado no tempo de C1.

- Q’ passa então a ser positivo havendo então um pulso na entrada Clock do biestavel.

- A base de T1 passa agora a ser positiva e T1 deixa de conduzir (abre a chave de novo) fazendo o Reset voltar a ser zero e o ciclo se repetir.

- Em resumo, o transistor T1 trabalha abrindo e fechando e C1 ora está polarizado positivo de um lado, ora positivo do outro, os flip flops fazem essa mudança de estado e esse ciclo giratório faz a oscilação. T2 e o potenciômetro ajustam a frequência de acordo com a tensão que aplicam em T1, o valor dessa tensão varia o tempo de carga de C1 que varia o tempo de abertura e fechamento de T.

- Alguns flangers mais antigos (MXR, DOD) usavam VCOs baseado neste tipo de configuração, aqui com apenas dois transistores é o mais simples que se pode conseguir sem precisar usar circuito integrados para fazer a função de VCO e ainda precisar de outro integrado para buffer. Eu não sou expert em eletrônica digital mas a explicação aqui descrita não está em nenhum livro (que eu conheça), sequer na internet e nem escola nenhuma ensina.

Tuesday, August 9, 2016

Chorus e Flangers

 Post 10     Esquematizando chorus e flangers

  Para esquematizar chorus e flangers temos primeiro que conhecer um pouco sobre os integrados BBDs (bucket brigade devices), algo como dispositivo de transferência de água de balde em balde, tem esse nome BBD porque lembra a transferência do sinal como se o sinal fosse água sendo passada de balde em balde para apagar um incêndio antigamente antes de haver mangueiras de água (o funcionamento é bem parecido com isto).

  Não vou explicar profundamente o funcionamento do chip (já o fiz alguns anos atras e o arquivo está por aí em algum lugar na internet), agora a internet já está cheia dessa explicação mas não foi muito facil para mim entender o funcionamento do chip nos anos 70 (me custou varios livros estrangeiros até achar). Apenas vou rever alguma coisa e mostrar como se polariza.

  Como apareceram

  Inventado em 1969 por um engenheiro da Phillips com a intensão de ser usado em telefonia, a Phillips nunca se interessou em colocar o chip para o mercado musical e botou no mercado por algum tempo apenas o chip (TDA1022) raríssimo de achar, licenciou a patente para a Panasonic japonesa e para a Reticon americana (como não dá pra competir com orientais a Reticon quebrou alguns anos mais tarde). Nenhum deles eram compativeis entre si. O melhor deles era o SAD1024 da Reticon que era duplo internamente (permitia ligar em serie ou paralelo), em paralelo dava uma qualidade melhor do que os MNxxxx da Panasonic.

  Com o avanço da tecnologia digital a Panasonic encerrou a fabricação de seu modelos e ai as licenças passaram de mão e mão (Signetics, NTE e outras, todo mundo fabricou durante um tempo), hoje restam uns 3 ou 4 fabricantes (a Behringer que fabrica amplificadores e pedais é dona de uma delas). Hoje não há muitas opções dos chips mas provavelmente o modelo mais comum para ser usado em chorus e flangers (MN3207) ainda deve ficar no mercado por um bom tempo.

  Na época em que apareceram eram de dificil fabricação mas com a tecnologia de hoje que fabrica chips com milhares de transistores internamente se tornou fichinha para as fábricas, no entanto elas se limitaram a apenas copiar o protótipo já inventado a muito tempo sem aperfeiçoar o chip e escolheram fabricar o mais barato deles apenas para manter o mercado de aparelhos para músicos (um SAD1024 nunca mais).

  Naquele tempo (ou uns 10 anos depois) fazer um chorus digital já era até possivel mas era impensavel, a tranformação analógica para digital e vice versa era simplesmente inviavel devido ao número de componentes e topologia utilizada, só ficou facil depois de aprimorado a topologia Delta-Sigma (conversor de 1 bit ao invés de 8 ou 16) já bem recente. Hoje é o contrário, fazer um analógico com BBDs gasta mais componentes do que um digital e o digital é mais simples de configurar.

  Independente de sabermos qual tecnologia irá prevalecer para este efeitos específicos vamos ver primeiramente os BBDs, mais tarde o processo digital.

  Polarizando um MN3207

  Seguindo de acordo com o datasheet do chip a tensão máxima chamada de VDD no datasheet é de 10v (no pino 5), desse modo é conveniente colocar um resistor de bem baixo valor em serie com a alimentação para alguma proteção contra algum pic de tensão e um capacitor para dar um atraso na carga e amenizar a coisa toda.
  Os pinos 2 e 6 recebem os pulsos de onda quadrada com fases invertidas, uma fase no pino 2 e outra fase no 6, estes pulsos abrem e fecham uma linha de transistores em serie. 

 Se uma fase abre o transistor da frente a outra fase abre o detras pois estão intercalados, se um transistor está na linha do pino 2 o da frente está no pino 6.

  Assim essa abrição e fechamento de portas dos transistores permite que a carga de cada capacitor passe para o capacitor da frente (a água de um balde passa para o da frente), esse tempinho de carga de cada capacitor vai atrasando o sinal até chegar lá na frente. São simplesmente circuitos chamados de Sample and Hold colocados em serie.

  Para o oscilador de controle a panasonic (que não é boba nada) bolou um chip oscilador que tem um custo de fabricação uma ninharia de centavos, para ser usado em conjunção com os BBDs que na época eram caros para serem feitos. Assim este oscilador era vendido caro tendo um custo barato e ajudava a cobrir o custo caro do BBD (porque não colocar isso dentro do próprio BBD?).

  O pino 4 da tensão VGG do BBD é conectado no pino 8 do chip oscilador (não mostrado no desenho) e assim ficava um dependente do outro, na época nem datasheet tinha. Contudo observando o datasheet do concorrente da Reticon (esse tinha datasheet e não escondia informação) dava para se concluir a tensão VGG, esta é em torno de 1V abaixo da VDD. Assim fica possivel ultilizar um outro oscilador qualquer no lugar do oscilador especial da panasonic (MN3102 para o BBD MN3207). Colocando um resistor de uns 15K se faz a queda de tensão para o pino 4.

  Entre o pino 4 e terra há um divisor de tensão e esta divisão é conectada ao pino 3 de entrada por um resistor de alto valor. Este divisor de tensão pode ser feito com um trimpot que ajusta o ponto linear de funcionamento, é ajustado para cada BBD pois dá umas diferenças entre um e outro do mesmo tipo.

  Neste caso é quando as saidas de sinal pinos 7 e 8 estão diretamente conectadas, porém no própria datasheet do MN3207 (que felizmente atualmente é possivel te-lo na internet) existe a possibilidade de colocando mais 4 resistores (como está no desenho) eliminar o trimpot e colocar apenas dois resistores para fazer o divisor de tensão, pois com o arranjo dos 4 resistores na saida o ponto de funcionamento não fica tão sensivel a ponto de precisar de trimpot para ajustar cada chip um por um.

  Desse modo com os valores mostrados no desenho o chip deve funcionar perfeitamente, apenas R1 poderá ter valores diferentes dependendo do nivel de sinal aplicado na entrada.

  Se for polarizar usando o chip oscilador MN3102 basta copiar parte do circuito de algum pedal da boss de chorus ou flanger. A ideia aqui é ter o modo mais simples e barato possivel.

  Próxima etapa o motor do chip, o oscilador.


Thursday, August 4, 2016

Big Muff melhorado

    Post 9    Um Big Muff melhorado

  Alguns comentários e reviews sobre o pedal Big Muff na internet dizem que o pedal não dá médio, que o som de um solo some na mixagem.

  O pedal Big Muff na época em que foi inventado ainda não se usava tocar com power chords ensurdecedores como se toca hoje, se encher todo o espectro de bases pesadas não haverá espaço para solos com o Big Muff pois o Big Muff foi feito para isso mesmo, não dar médios, o solo irá sumir. É um pedal para solos com bases limpas.

  A ideia do pedal é se ter um som semelhante ao dos sintetizadores minimogs da época, aquele som grave e sombrio, macio e com muito sustain, se querem um solo com ataque é melhor escolher um overdtrive ou um fuzz.

  Varias modificações dos esquemas do Big Muff estão presentes na internet na tentativa de ser por médios no circuito mas a maioria cortando os agudos ou os graves. O certo seria ter um filtro (ativo ou não), separado só para os médios.

  Diferentemente do Big Muff que tive nos anos 70 e copiei o circuito na época, todos os esquemas da internet mostram o primeiro estágio um pré em configuração autopolarização no primeiro transistor, no meu Big Muff era polarização em ponte (pode ser que o fabricante tenha mudado depois), o que dava um ganho maior e dando assim mais sutain nas notas (já expliquei anteriormente).

     Aproveitando o pré amplificador universal usado no Univox e substituindo o pobre pré do Big Muff de um transistor apenas (seja em ponte ou autopolarização) pode se conseguir uma sonoridade melhor para o Big Muff com um ganho com menos ruido e uma acentuação nos agudos muito melhor na sonoridade da distorção.
     Os diodos no Big Muff são todos de silicio (1N4148) mas se usar de germânio (1N34 ou outro) em um dos estágio amplificadores (de preferência no estágio depois dos diodos de silicio onde o ganho é maior) se tem um corte menos brusco do sinal distorcido para o sinal limpo quando a nota tocada está quase morrendo em volume. Isto porque os diodos de germânio cortam os picos numa tensão mais baixa (0,3v). Os de germânio roubam um pouco do volume mas vale a pena.

  Outra modificação são os valores de resistores mais altos na polarização dos coletores dos transistores (47K contra 10K no original) O circuito original foi desenhado para usar com baterias, com fontes corre-se o risco de entrar ruido humm por ali se os valores forem muito baixos.

  Os capacitores C8 e C11 devem ser de 1uF, varias modificações na internet sugerem diminuir o valor para ser menos sustain e mais ataque, porém estes capacitores atuam também como um filtro ajudando a eliminar parte do ruido humm que possa surgir com o uso de determinadas fontes (se não forem muito boas).

  Ruido não parece ser levado em conta para muitos que fazem modificações ou projetam pedais por ai, quando se eleva o volume para o máximo, um pouco de humm sempre estará presente e isto pode sempre ser melhorado ou evitado conhecendo o que se está fazendo quando se faz uma alteração no circuito.

  R10 (22K) limita um pouco a sensibilidade (quando até sem encostar nas cordas já esta saindo som) e pode ou deve ser aumentado se esta sensibilidade estiver demais.

  Se for preciso maior volume para solos em relação ao sinal sem distorção, então R25 pode ser diminuido para uns 470R.

  Diferentemente do original prefiro o potenciômentro de volume antes do último transistor (ao invés de na saida) e assim o transistor serve também como um buffer isolador do controle de volume.

  Aumentando um pouco o valor de R21 (para uns 39K) tem-se um pouco mais de médios junto com os agudos o que melhora se a sonoridade estiver aguda demais.

  O valor de R20 limita ou deixa passar mais graves (maior valor limita). Com o cursor do potenciômetro no meio o corte do filtro é em torno de 1Khz e alterando R20 ou R21 se estende para mais ou para menos as bandas inferior (que está em torno de uns 500hz) ou a superior (em torno de uns 1800hz) mas pouca coisa. Para maior alteração só alterando os capacitores.

  Freq (corte) = 1 / 2∏RC    Se faz com R20 x C14 e R21 x C13 (mas o melhor mesmo é experimentar de ouvido).

  Para a DPDT o mesmo esquema que usei no Univox modificado, com LDR e Led, neste circuito que o ganho é um pouco menor além de menos ataque nas notas, ao se acionar a DPDT não se escutará praticamente nenhum “ploc”. Futuramente farei um desenho da placa de circuito (toma muito tempo).